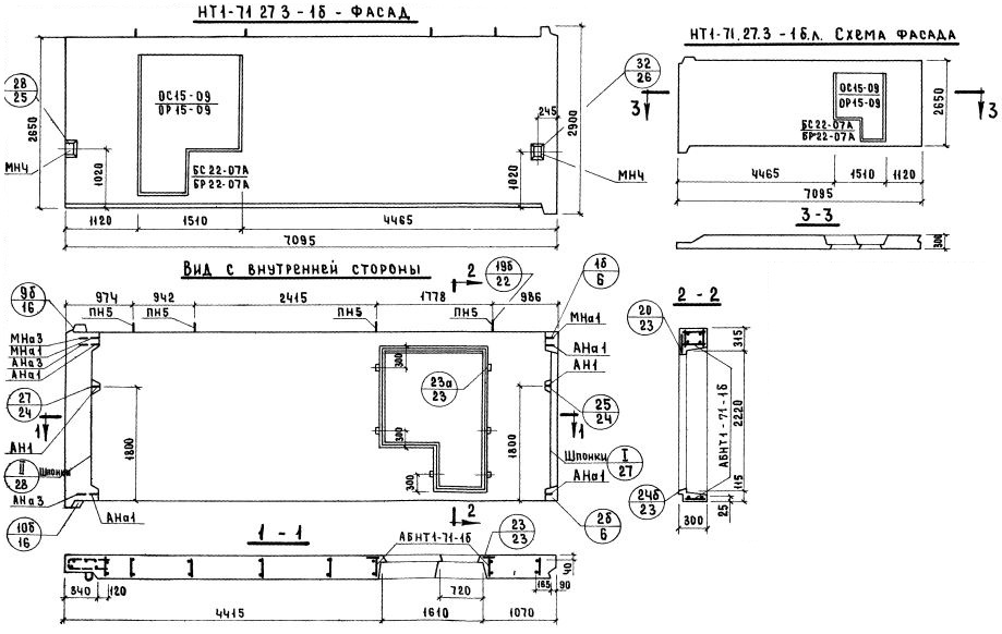
НТ1-71.27.3-1бл

Чертеж изделия:
Чертеж НТ1-71.27.3-1бл
Характеристики изделия:
ПараметрЗначение
Длина7095 мм
Ширина300 мм
Высота2650 мм
Масса8050 кг
Нормативный документСерия 1.132-1

НТ1-71.27.3-1бл   Наружная стеновая панель торцевая по Серии 1.132-1.