НР2-34.27.3-1б-1
Характеристики изделия:
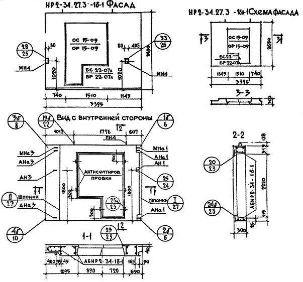
| Параметр | Значение |
|---|---|
| Длина | 3395 мм |
| Ширина | 300 мм |
| Высота | 2650 мм |
| Масса | 2560 кг |
| Нормативный документ | Серия 1.132-1 |
Цена:
Рассчитать стоимостьНР2-34.27.3-1б-1 Наружная стеновая панель рядовая по Серии 1.132-1.
| Параметр | Значение |
|---|---|
| Длина | 3395 мм |
| Ширина | 300 мм |
| Высота | 2650 мм |
| Масса | 2560 кг |
| Нормативный документ | Серия 1.132-1 |
НР2-34.27.3-1б-1 Наружная стеновая панель рядовая по Серии 1.132-1.